欢迎进入国家中职改革发展师范学校建设专题网站!

课程章节-项目四;G00、G01指令

发布日期:2017-09-09  浏览次数:17645
学习目标:
1、掌握G00、G01指令的编程格式及特点
2、掌握简单形面的程序设计思想和方法
知识点击:   
 前面我们学习了数控车床的基础理论知识,并简单介绍了几种编程的常用指令,了解G00,G01指令的作用,下面就来学习如何利用G00、G01指令是进行编程的。    
一、快速定位G00
1、格式:G00 X(U)_Z(W)_
式中:
X、Z:绝对编程时使用的坐标
U、W:相对编程时使用的坐标
2、编程实例    

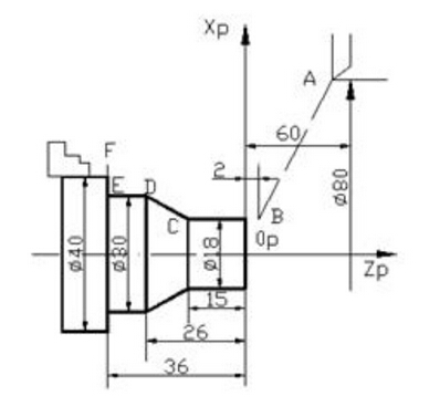
如图所示,要求刀尖从A点移动到B点,再从B点移动到F点。

G00的编程方式   
(1) 绝对坐标方式程序    
当用绝对值编程时,X、Z后面的数值是目标位置在工件坐标系的坐标。     
G00   X80   Z60;
      X18   Z2;
      X42   Z-36;
(2) 相对坐标方式程序    
当用相对值编程时,U、W后面的数值则是现在点与目标点之间的距离与方向     
G00   X80   Z60;
      U42   W-58;
      U24   W-38;
(3)混合编程程序     
G00   X80   Z60;
      U42   W-58;
      X42   Z-36;
3、注意     
因为X轴和Z轴的进给速率不同,因此机床执行快速运动指令时两轴的合成运动轨迹不一定是直线,因此在使用G00指令时,一定要注意避免刀具和工件及夹具发生碰撞。如果忽略这一点,就容易发生碰撞,而快速运动状态下的碰撞就更加危险
二、 直线插补G01
1、格式:
G01X(U)_Z(W)_F;
式中:     
X、U、Z、W的应用同G00指令格式中的相同     
F:进给速度。在程序中一直有效直到指定新值。有两种表示方法:            
①每分钟进给量(mm/min);            
②每转进给量(mm/r)
2、编程实例     
如图要求刀尖从B点移动到C点,再从C点移动到D点。 

G01功能应用    
(1) 绝对坐标方式程序       
G00    X18     Z2;       
G01    X18       Z-15     F0.35;    
        X30       Z-26;    
(2) 相对坐标方式程序      
G00     X18     Z2;      
G01     U0       W-17     F0.35;    
        U12      W-11;    
(3)混合编程程序      
G00   X18   Z2;      
G01   U0    W-17   F0.35;          
      X30   Z-26;
三、思考    
G00、G01指令都是直线运动,它们有什么不同之处?
四、练习